Cómo una bacteria 'Iron Man' puede proteger el medio ambiente

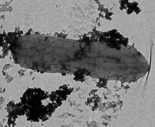
Esta Célula De Geobacter, Que Se Parece Un Poco A Un Maní Gris En Esta Imagen De Microscopio, Está Moteada Con Una Capa Oscura De Minerales De Cobalto Que Serían Tóxicos Para Muchos Organismos.
Esta Célula De Geobacter, Que Se Parece Un Poco A Un Maní Gris En Esta Imagen De Microscopio, Está Moteada Con Una Capa Oscura De Minerales De Cobalto Que Serían Tóxicos Para Muchos Organismos. - HUNTER DULAY.
Europa Press Ciencia
Actualizado: lunes, 11 enero 2021 11:36

   MADRID, 11 Ene. (EUROPA PRESS) -

   Bacterias que se encuentran en el suelo y sedimentos conocidas como Geobacter son capaces de impedir que los contaminantes de uranio procedentes de fugas radiactivas lleguen al agua subterránea.

   Su alta resistencia les permite que puedan alimentarse extrayendo energía de los minerales que contienen óxido de hierro. "Respiran óxido", explica Gemma Reguera de la Universidad Estatal de Michigan, que ha investigado el potencial de estas bacterias para la regeneración anbiental.

   En su último proyecto, el equipo de Reguera investigó qué les sucedió a las bacterias cuando se encuentran con el cobalto, un metal valioso pero cada vez más escaso que se utiliza en baterías para vehículos eléctricos y aleaciones para naves espaciales. También es altamente tóxico para los seres vivos, incluidos los humanos y las bacterias. "Mata a muchos microbios", dijo Reguera. "El cobalto penetra en sus células y causa estragos".

   Pero el equipo de Reguera descubrió que Geobacter era un eficaz "minero" de cobalto, extrayendo el metal del óxido sin dejar que penetre en sus células y las mate. Más bien, las bacterias esencialmente se recubren con el metal.

   "Forman nanopartículas de cobalto en su superficie. Se metalizan y es como un escudo que las protege", dijo Reguera. "Es como Iron Man cuando se pone el traje".

   El equipo publicó su descubrimiento en la revista Frontiers in Microbiology. Incluye a Kazem Kashefi, profesor asistente en el Departamento de Microbiología y Genética Molecular, y los estudiantes graduados Hunter Dulay y Marcela Tabares, quienes son "dos investigadores asombrosos y relativamente jóvenes", dijo Reguera en un comunicado.

   Ella ve este descubrimiento como una prueba de concepto que abre la puerta a una serie de posibilidades interesantes. Por ejemplo, Geobacter podría formar la base de una nueva biotecnología construida para recuperar y reciclar el cobalto de las baterías de iones de litio.

   También invita a los investigadores a estudiar Geobacter como un medio para absorber otros metales tóxicos que antes se creía que eran sentencias de muerte para la bacteria. Reguera está particularmente interesada en ver si Geobacter podría ayudar a limpiar el cadmio, un metal que se encuentra en la contaminación industrial y que afecta de manera desproporcionada a las comunidades más desfavorecidas de Estados Unidos.

Contenido patrocinado