El MIT modifica genéticamente una bacteria para crear combustible

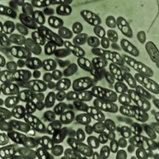
Bacteria Ralstonia Eutropha
CHRISTOPHER BRIGHAM/MIT
Europa Press Ciencia
Actualizado: miércoles, 22 agosto 2012 14:47

MADRID 22 Ago. (EUROPA PRESS) -

El Instituo Tecnologico de Massachusetts (MIT) ha manipulado los genes de la bacteria 'Ralstonia Eutropha' para lograr que fabrique combustible. En concreto, un tipo de alcohol llamado isobutanol, que puede sustituir a la gasolina o mezclarse con ella.

Según ha informado el autor principal de esta investigación, Christopher Brigham, la 'Ralstonia Eutropha', cuando deja de crecer "utiliza toda su energía en la fabricación de compuestos complejos de carbono". Según Brigham, en el estado natural del microbio, cuando su fuente de nutrientes esenciales --nitrato o fosfato-- está restringida y detecta que los recursos son limitados, entra en el 'modo de almacenamiento de carbono' para su uso posterior.

"Lo que hace es tomar cualquier carbono disponible, y lo almacena en forma de un polímero, que es similar en sus propiedades a una gran cantidad de plásticos derivados del petróleo", ha señalado. Con la anulación de unos pocos genes y la inserción de un gen de otro organismo Brigham y sus colegas han sido capaces de redirigir la capacidad natural del microbio para producir combustible en lugar de plástico.

La intención tras la manipulación genética es conseguir "que el organismo de la bacteria utilice una corriente de dióxido de carbono como fuente de carbono, de manera que pueda fabricar combustible", ha apuntado en investigador en el estudio publicado en 'Applied Microbiology and Biotechnology'.

Así, el equipo ha centrado su trabajo en conseguir que la bacteria utilice el CO2 como fuente de carbono. Además, la investigación destaca que, con modificaciones ligeramente diferentes del mismo microbio, se podría también convertir casi cualquier fuente de carbono, incluidos los desperdicios agrícolas o desechos municipales, en combustible útil.

AUMENTAR LA VELOCIDAD DE PRODUCCIÓN

"El equipo ha demostrado que, en cultivo continuo, se puede obtener cantidades importantes de isobutanol," ha apuntado Brigham, quien ha apuntado que, ahora, los investigadores tienen como objetivo la optimización del sistema para aumentar la velocidad de producción y el diseño de biorreactores para escalar el proceso a niveles industriales.

Además, ha destacado que, "a diferencia de algunos sistemas de bioingeniería en que los microbios producen un producto químico deseado dentro de sus cuerpos pero deben morir para recuperar el producto, la 'Ralstonia Eutropha' expulsa naturalmente el isobutanol en el fluido circundante sin parar el proceso de producción".

Contenido patrocinado