Esta peculiar esponja y el sol eliminan la sal del agua de mar

No se trata de una cadena de papel, sino de un material impreso en 3D que absorbe el agua del mar y la purifica convirtiéndola en agua sin sal.
No se trata de una cadena de papel, sino de un material impreso en 3D que absorbe el agua del mar y la purifica convirtiéndola en agua sin sal. - ACS ENERGY LETTERS 2025, DOI: 10.1021/ACSENERGYLE
Europa Press Ciencia
Actualizado: jueves, 3 julio 2025 17:13

   MADRID, 3 Jul. (EUROPA PRESS) -

   Científicos han desarrollado un material como una esponja, con largas y microscópicas bolsas de aire, que usa la luz solar y una cubierta de plástico para convertir el agua salada en agua dulce.

   La mayor parte del agua de la Tierra se encuentra en los océanos y es demasiado salada para beber. Las plantas de desalinización pueden potabilizar el agua de mar, pero requieren grandes cantidades de energía.

   Publicada en la revista ACS Energy Letters, una prueba de concepto al aire libre del nuevo sistema produjo con éxito agua potable con luz solar natural, un paso hacia la desalinización sostenible y de bajo consumo energético.

   Esta no es la primera vez que científicos crean materiales esponjosos que utilizan la luz solar como fuente de energía sostenible para limpiar o desalinizar agua. Por ejemplo, un hidrogel inspirado en la lufa con polímeros en sus poros se probó en agua contaminada con cromo y, al calentarse con el sol, liberó rápidamente vapor de agua limpio y recogible mediante evaporación.

AEROGEL POROSO

   Sin embargo, mientras que los hidrogeles son blandos y están llenos de líquido, los aerogeles son más rígidos y contienen poros sólidos que pueden transportar agua líquida o vapor de agua. Los aerogeles se han probado como método de desalinización, pero su capacidad de evaporación disminuye a medida que aumenta el tamaño del material. Por ello, Xi Shen y sus colegas se propusieron diseñar un aerogel poroso para desalinización que mantuviera su eficiencia a diferentes tamaños.

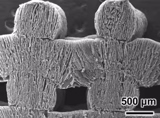
   Los investigadores crearon una pasta con nanotubos de carbono y nanofibras de celulosa y la imprimieron en 3D sobre una superficie congelada, permitiendo que cada capa se solidificara antes de añadir la siguiente. Este proceso formó un material esponjoso con pequeños orificios verticales distribuidos uniformemente, cada uno de unos 20 micrómetros de ancho.

   Probaron piezas cuadradas del material, con tamaños que iban desde 1 centímetro de ancho hasta aproximadamente 8 centímetros de ancho, y descubrieron que las piezas más grandes liberaban agua por evaporación con la misma eficiencia que las más pequeñas.

   En una prueba al aire libre, los investigadores colocaron el material en un vaso con agua de mar y lo cubrieron con una tapa de plástico transparente y curva. La luz solar calentó la superficie del material esponjoso, evaporando solo el agua, sin la sal, en vapor. El vapor se acumuló en la cubierta de plástico en forma líquida, desplazando el agua, ahora limpia, hacia los bordes, donde goteó en un embudo y un recipiente debajo del vaso. Tras 6 horas de exposición a la luz solar natural, el sistema generó aproximadamente 3 cucharadas de agua potable.

   "Nuestro aerogel permite la desalinización a plena capacidad en cualquier tamaño", afirma Shen, "lo que proporciona una solución sencilla y escalable para la desalinización sin consumo de energía y la producción de agua limpia".

Contenido patrocinado