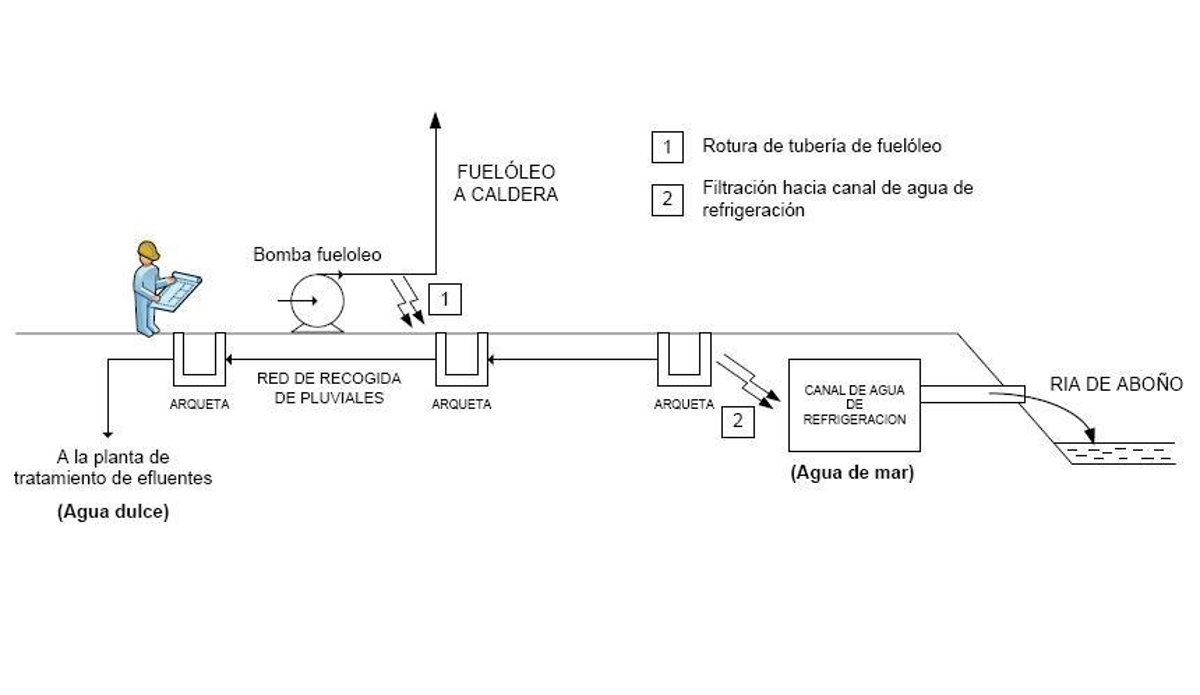
El vertido de fuel en Asturias se produjo al romperse una tubería y producirse una filtración accidental en una arqueta

Cuadro Explicativo De Las Causas Del Vertido
EUROPA PRESS/HC

OVIEDO 26 Jun. (EUROPA PRESS) -

El vertido de fueloil que se ha producido este martes en Carreño (Asturias) desde la central térmica de Aboño se ha debido a un cúmulo de circunstancias adversas, al coincidir la rotura de una tubería de fuel y la existencia de una filtración accidental de una arqueta del sistema de recogida y tratamiento de aguas pluviales (agua dulce) hacia el canal de agua de mar que se utiliza para la refrigeración de los grupos, según ha explicado HC.

Una vez detectada la fuga, el primer paso fue aislar la tubería para minimizar el derrame y su contención en la red de recogida de aguas pluviales, donde, se preveía recoger todo el combustible derramado para su posterior tratamiento.

Sin embargo, una parte del fuel consiguió colarse por una arqueta hacia el sistema de refrigeración de la central que comunica con la ría de Aboño.

Desde el momento en que se detectó la situación, se puso en conocimiento de la Consejería de Medio Ambiente, el Servicio de Emergencias 112 y el Ayuntamiento de Carreño. Operarios especializados en limpieza industrial han trabajado, coordinados por el Servicio de Emergencia 112 Asturias, para recoger los restos de fuel que lleguen a la costa de Carreño. En las cuatro playas afectadas se han instalado, además, contenedores para depositar los residuos y su posterior tratamiento en Cogersa.

Contenido patrocinado