Nuevo material ligero y fuerte con alta capacidad amortiguadora

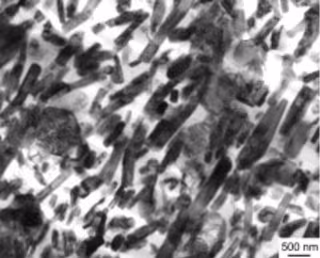
Aspecto del nuevo material cermat ligero, resistente y amortiguador a la vez
Aspecto del nuevo material cermat ligero, resistente y amortiguador a la vez - LIU ET AL./MATERIALS TODAY
Europa Press Ciencia
Actualizado: martes, 31 enero 2023 13:06

   MADRID, 31 Ene. (EUROPA PRESS) -

   Científicos en China y Estados Unidos han desarrollado un nuevo tipo de material biomimético cermet (cerámico y metal), resistente y ligero, con una gran propiedad amortiguadora.

   Los materiales ligeros, fuertes, resistentes y, al mismo tiempo, amortiguadores resultan muy atractivos para toda una serie de aplicaciones. Normalmente, estas cualidades son mutuamente excluyentes y conseguir combinarlas no es tarea fácil, según un reciente artículo de investigación publicado en la revista Materials Today.

   Inspirándose en la estructura de materiales biológicos naturales como conchas y huesos, los investigadores de la Academia China de Ciencias, la Universidad de Ciencia y Tecnología de China, la Universidad de California Berkeley y la Universidad ShanghaiTech seleccionaron como componentes materiales con propiedades tanto metálicas como cerámicas para presentar el material cermet con estructura ultrafina 3D interpenetrante similar a la del nácar.

   El cermet resultante presenta una alta resistencia a la flexión superior a 1 GPa, superior a la de la mayoría de los demás materiales a granel de magnesio y aleaciones de magnesio, cerámicas y sus materiales compuestos, así como altas capacidades de amortiguación y buena tenacidad a la fractura, señala el artículo de investigación, citado por Xinhua.

   La estrategia de diseño arquitectónico y el método de fabricación robusta pueden resultar eficaces para desarrollar nuevos materiales cermet de alto rendimiento y se espera que se utilicen en campos como el aeroespacial y el de los instrumentos de precisión.

Últimas noticias sobre estos temas

Contenido patrocinado