MADRID, 26 Mar. (EUROPA PRESS) -
Investigadores han creado una nueva forma de hielo aplanando una gotita de agua entre dos láminas de grafeno. Con unas pocas moléculas de espesor, sus átomos están enfrascados en una patrón de cuadrícula.
El descubrimiento de 'hielo cuadrado' pone de relieve otra notable propiedad de grafeno, que consiste en láminas planas de carbono de un átomo de espesor. No sólo son notablemente rígidas, fuertes y conductoras, sino que también pueden ejercer una gran presión sobre las moléculas atrapadas entre ellas.
Esto podría explicar por qué el agua se filtra a través de pilas de grafeno muy rápidamente - una propiedad que sugiere que el material podría ser utilizado en las membranas de desalinización para purificar el agua.
Alan Soper, un físico del Laboratorio Rutherford Appleton en Harwell, Reino Unido, informa del descubrimiento, que se publica en Nature. Cuando el agua se reúne en pequeños grupos de sólo ocho moléculas, por ejemplo, forma una estructura cúbica. "Pero nunca se había observado en una capa tan grande", dice.
Soper reconoce que el hielo cuadrado se califica como una nueva fase cristalina del hielo, uniéndose a otras 17 que ya han sido observadas.

Cargando el vídeo....
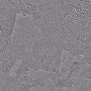
El hielo cuadrado es notablemente diferente de hielo normal. En una única molécula de agua en forma de V (H2O), un átomo de oxígeno está conectado a dos átomos de hidrógeno por enlaces fuertes. Pero también forma atracciones más débiles a átomos de hidrógeno en dos moléculas de agua vecinas. En el hielo, estos cuatro enlaces se colocan generalmente en una pirámide forma de tetraedro.
Pero en una capa de hielo cuadrado, todos los átomos se encuentran en un plano con un ángulo recto entre cada enlace oxígeno-hidrógeno.
El equipo calculó que las láminas de grafeno deben estar ejerciendo más de 10.000 veces la presión atmosférica para aplanar el agua de esta manera. Se genera esa presión cuando los átomos de carbono del grafeno se acercan lo suficiente para distorsionar las nubes del otro electrón.
Esto provoca una atracción mutua, conocida como la fuerza de van der Waals, entre átomos de carbono en capas de grafeno adyacentes. "Es como tener a millones de pequeños resortes que se sostienen entre sí", dice Soper.